AmetekHaydonKerk
Skip to content

ZBM全球最小的消隙螺母

Kerk ZBM World's Smallest Anti-Backlash Nut and Lead Screw
我们的螺杆轧制和螺母成型工艺将微型螺杆的精度推向了一个新水平。Kerk微型系列螺杆组件采用优质的303级不锈钢制成,具有出色的性能,使用寿命长,无需维护。均匀的高精度螺纹可提供精确的运动并减少噪音和振动。螺母由自润滑聚缩醛和kerkite高性能复合聚合物制成。这一卓越的产品系列是一次技术创新,开辟了一系列全新的设计。微型系列在不牺牲性能或可靠性的前提下缩小了产品尺寸,降低了功耗并减轻了重量。为满足许多市场日益增长的需求而开发。Haydon Kerk Motion Solutions在10多年来一直在定制的基础上为客户提供微型螺杆。现在,其作为标准产品,客户可以更快捷地获得更具成本效益的产品。微型系列螺杆既可作为独立组件使用,也可被集成到高性能的海顿直线步进电机中。
  • 尺寸图 +


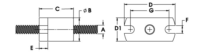
    ZBMR系列:矩形法兰安装
    螺杆
    Ø
    螺母
    Ø
    螺母
    长度
    法兰
    高度
    法兰
    宽度
    法兰
    厚度

    宽度
    螺栓
    圆Ø
    动态
    负载
    阻力
    转矩
    A
    英寸
    (mm)
    B
    英寸
    (mm)
    C
    英寸
    (mm)
    D1
    英寸
    (mm)
    D
    英寸
    (mm)
    E
    英寸
    (mm)
    F
    英寸
    (mm)
    G
    英寸
    (mm)


    (Kg)

    盎司英寸
    (Nm)
    5/64
    (2)
    0.22
    (5.5)
    0.32
    (8)
    0.22
    (5.5)
    0.47
    (11.9)
    0.08
    (2.0)
    0.07
    (1.8)
    0.35
    (9.0)
    1
    (0.45)
    0.5
    (0.0035)

  • 直径和导程选项 +


    5/64英寸(2毫米)直径螺杆,直径代码008
    导程 导程代码 左旋可用 外径(供参考) 根径(供参考) 效率%
    英寸 mm 英寸 mm 英寸 mm
    0.02 0.5 0020 0.077 1.96 0.057 1.45 36**
    0.039 1 0039 0.079 2.01 0.059 1.5 52**
    0.079 2 0079 0.077 1.96 0.057 1.45 66**
    **所列微型螺杆的效率是基于无涂层螺杆理论值。
    阴影区域已从其设计的英寸或毫米尺寸转换为等效的毫米或英寸尺寸
  • 润滑选项 +


    Haydon Kerk Motion Solutions™提供多种润滑选择。所有Kerk®螺杆螺母都包含自润滑聚合物。在高要求应用中,Kerkote®和Black Ice™ TFE涂层可提供优异的性能。 

    Kerkote® TFE涂层 

    Kerkote TFE是一种软涂层和长期干性润滑剂,适用于较软的塑料,如有/无机械加固的乙缩醛和尼龙。通过螺母从涂层上拾取Kerkote TFE颗粒以及塑料螺母内部润滑剂的迁移,实现对螺母/螺杆接口的润滑。润滑剂虽是固体,但在流体润滑剂中也具有一定的“扩散”能力。Kerkote TFE涂层螺杆有最高水平的自润滑性能,不应在可能出现油或其他润滑剂污染的环境中进行润滑或使用。 

    Black Ice™ TFE涂层 


    Black Ice TFE涂层具有许多Kerkote TFE涂层的优点,与之不同的是,它是一种硬涂层,在大多数环境中都有卓越的耐用性,几乎可用于所有类型的聚合物丝杆螺母。Black Ice TFE不是干性润滑剂,而是一种抗摩擦涂层,它可完全屏蔽被涂敷的金属表面特性。虽然它不适用于金属或玻璃纤维增强螺母,但Black Ice TFE可牢固地粘合到螺杆表面,并且能够承受来自污染、刚性系统摩擦、流体冲击和冲洗应用的磨损。 

    可用润滑脂 

    TFE涂层不需要使用额外的润滑剂。有些应用可能需要外部润滑。这些包括使用诸如玻璃增强塑料或金属等螺母材料的应用。Haydon Kerk Motion Solutions可提供适合这些应用的润滑脂。请联系我们的销售工程师,以帮助您选择满足您要求的最佳润滑剂。

  • 产品品号选型向导 +




    示例

    WDGABR-037-0125-XXXX = 含义:WDG系列螺母,三角法兰安装,Black Ice™TFE涂层,右旋螺纹,3/8英寸螺杆直径,0.125螺纹导程,无其他特殊要求。

    ZBXTKR-043-0250-XXXX = 含义:ZBX系列螺母,螺纹安装,Kerkote® TFE涂层,右旋螺纹,7/16英寸螺杆直径,0.250螺纹导程,无其他特殊要求。

    如果您有应用或订单方面的问题,请致电海顿科克销售工程师!
    注意:
    并非所有螺纹导程都适用于所有的螺杆直径。
    新的螺母和导程会不断增加。联系Haydon Kerk Motion Solutions,咨询产品是否有售。
  • 机械性能 +


    螺杆惯性
    螺杆尺寸 螺杆惯性
    英寸 mm (盎司英寸秒平方/英寸)
    5/64 (2) 3.4 x 10 -8

    机械性能
    丝杠 材料 表面光洁度
    303不锈钢
    (选配项)
    优于16微英寸(0.4微米)
    螺母 材料 抗拉强度 膨胀系数
    聚缩醛与
    润滑添加剂
    9,700磅/平方英寸 6.0 x 10 –5 英寸/英寸/oF
    组件
    标准操作
    温度范围
    摩擦系数
    聚缩醛螺母到螺杆
    32 - 200o F*
    (0- 93o C)*
    静态= 0.08 0.08 **
    动态= 0.15 0.09 **
    *极高或极低的温度可能会引起螺母拧合或阻力矩的明显变化。有关可选温度范围材料的问题,请致电Haydon Kerk Motion Solutions™。
    **含Kerkote® TFE涂层

  • 设计和工程数据 +


    螺杆精度
    Haydon Kerk Motion Solutions, Inc采用独特的精密轧制工艺来制造螺杆。Kerk螺杆的标准导程精度为0.0006英寸/英寸(mm/mm)。导程精度可达0.0001英寸/英寸(mm/mm)。如需更高的导程精度,请咨询厂家。组件具有50微英寸(1.25微米)的极高的重复定位精度。
     
    端部加工
    Haydon Kerk Motion Solutions可根据要求为您定制设计螺杆,以便您自己加工。  

    临界速度
    这是螺杆可能经受振动或其他动态问题的旋转速度。请参阅临界速度表以确定应用参数是否会导致速度接近临界值。减少临界速度问题的方法有:使用更长的导程、选择更大的直径或增加轴承座的支撑力度。

    Critical Speed

    长度
    最长有12英尺(4米)的长度,(具体取决于直径和导程)。对于可定尺寸的螺杆,其长度以6英寸递增(6英寸、12英寸、18英寸……)+1.0英寸/-0英寸

    导程
    每转的行程。所有螺杆均按导程而非螺距排列。导程 = 螺距 x 线数

    螺距
    波峰到波峰的距离或一除以每英寸的螺纹数。(在一个多线螺纹中,螺距等于导程除以线数。)

    移动速度
    我们使用的螺母材料在各种条件下都有很长的耐磨寿命。但是,高负载和或高速度会加快螺母的磨损。这些情况可能需要特殊的材料。我们针对连续工作的直线移动速度给出了以下建议,以实现最佳的使用寿命:
    导程 移动速度 导程 移动速度
    1/10 - 1/2英寸 4-英寸/秒 1 - 12 mm 100毫米/秒
    1/2 - 1英寸 10-英寸/秒 12 - 25 mm 250毫米/秒
    1 - 2 1/2英寸 30-英寸/秒 25 - 60 mm 760毫米/秒

    最大负载
    尽管Kerk®消隙组件能够承受相对较高的载荷,且不会发生严重故障,但这些组件应在尺寸图中所示的载荷下运行。

    效率
    效率是工作投入与工作产出的关系。它不应该与机械优势混淆。列出的效率是基于Kerkote® TFE涂层螺杆的理论值。

    转矩
    驱动螺杆组件所需的电机转矩由三个部分构成:惯性转矩、阻力矩和移动负载的转矩。请注意
    这是单独驱动螺杆组件所需的转矩。还必须考虑轴承和电机轴、运动部件以及由于组件错位而导致的与阻力相关的其他转矩。

    惯性转矩:

    T = I α  其中I = 螺杆惯性
     j                   α = 角加速度

    阻力矩:
    Kerk消隙组件通常具有1到7盎司英寸的阻力矩。阻力矩的大小取决于标准出厂设置或客户指定的设置。一般来说,预紧力越高,消隙特性就越好。

    移动转矩

    T=        负载 x 导程
      L    2 π 效率

    反向移动:
    有时也称为可逆性,反向移动是指螺杆通过施加在螺母上的推力负载转动的能力。一般情况下,当螺杆导程小于无涂层螺杆直径的1/3或Kerkote® TFE涂层螺钉直径的1/4时,不会发生反向移动。对于可能出现反向移动的较高导程,保持负载所需的扭矩为:

    T =         负载 x 导程 x 反向移动的效率     
     b                                   2π

    螺杆直线度:
    测得的螺杆直线度为总指示偏差(TIR)。螺杆的标准直线度为0.003英寸/英尺。Haydon Kerk Motion Solutions可根据客户要求提供更高的规格。  

    在发货前,所有螺杆都经手工较直。



  • 典型的端部加工 +


    Standard End Machine
  • 定制 +


    除Kerk®标准螺母类型外,定制的产品也占公司产品的很大一部分。修改可能是简单的变化,例如不同的安装孔形状或安装螺纹、微小的尺寸变化或特殊材料。Haydon Kerk Motion Solutions生产的梯形螺母具有巨大的价值。通过使用定制模具和特殊加工,螺母还可以用于导轨衬套、滑架、同步皮带轮、齿轮、注射器组件、传感器支架、编码器、夹具和许多其他附加元件。此外,定制设计的螺母可以提供快拆安装座、部分螺纹啮合、半螺母结构或特殊形状。可提供特殊材料以提高组件的性能。材料可以根据极端温度、化学相容性、热处理、机构规定、特殊载荷和许多其他特定要求进行选择。