AmetekHaydonKerk
Skip to content

40100系列襟翼板

Haydon Switch 40100

40100系列是一款旋转式开关,设计用于在特定角度下工作。开关组件在环境密封的外壳中包含2至4个单刀双掷开关。各种基本的SPDT开关有不同的电气特性。可选的外部臂设计使安装更加灵活。

40100系列设计用作商用飞机的襟翼和缝翼位置指示开关,在飞机上得到了广泛的应用。其坚固耐用的结构、耐极端温度、喷气燃料、液压油和除冰液等特性使该开关成为航空航天和其他恶劣环境下应用的理想选择。

  • 规格 +


    机械特性 - 40100系列襟翼/缝翼开关

    操作扭矩

    4至8英寸磅(0.45 牛米至0.90 牛米)

    超行程扭矩

    5至11英寸磅(0.57 牛米至1.24 牛米)

    定心扭矩

    最小2英寸磅(0.23 牛米)

    重量

    10盎司 (284 g)


    电气特性 - 40100系列襟翼/缝翼开关

    电气额定值

    28VDC

    电阻

    5安培

    绝缘耐压

    海平面1000V rms,持续1分钟或1250V rms,持续1秒,最大泄漏电流为0.5毫安。

    触点排列

    2个DPDT电路(NC或NO)


    环境特性 - 40100系列襟翼/缝翼开关

    温度范围

    -65°F至400°F(-54°C至205°C)

    振动

    25 G的RMS

    冲击

    15 g 11± 1 ms

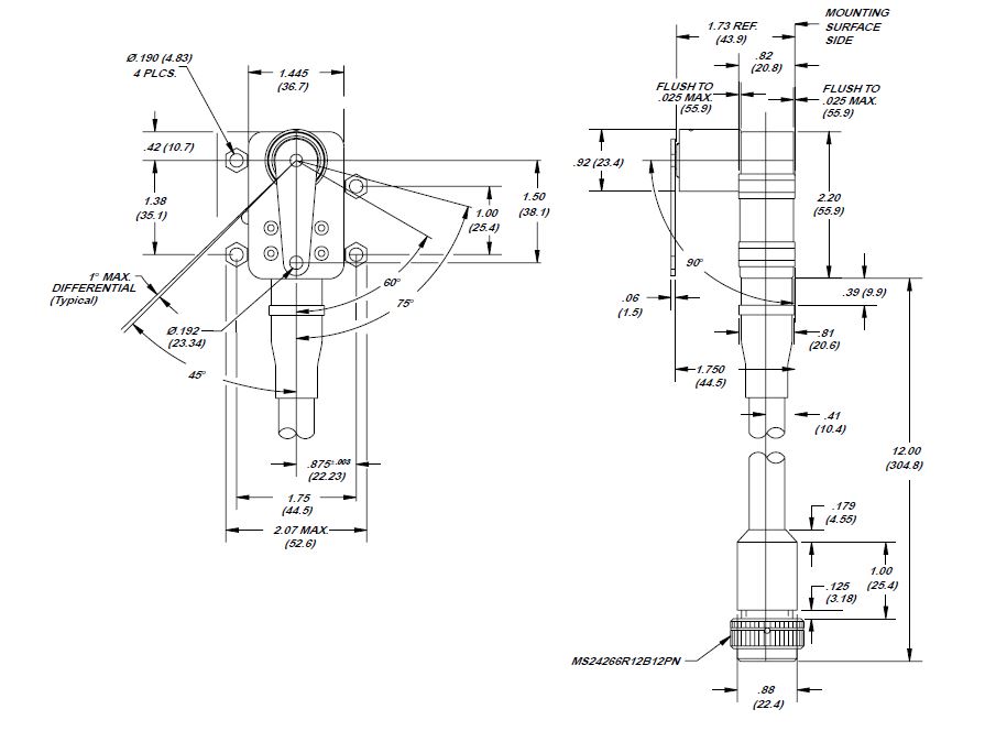
  • 尺寸图 +

    Haydon 40100 Series Flap Slat Switch