AmetekHaydonKerk
Skip to content

Size 34 ,87000系列

Size 34 Stepper Motor Linear Actuator
海顿科克的Size 34是一个边长87mm的直线步进电机。Size 34, 87000系列直线步进电机有三种设计可供选择,分别为固定轴式、贯通轴式和外部驱动式。有多种步长可供选择,每步从0.0127mm到0.127mm不等。Size 34系列直线步进电机可提供高达500磅(2224N)的力。典型应用包括医疗设备、半导体设备、阀门控制、X-Y工作平台、手持式仪器或所有需要精密直线运动的应用场合。
  • 规格 +


    产品品号 固定轴式 87H4(X)-V 87H6(X)-V
    贯通轴式 87F4(X)-V 87F6(X)-V
    外部驱动式 E87H4(X)-V E87H6(X)-V
    极性 单位 双极性 单极性**
    步进角度 1.8°
    绕组电压 V 2.85 5 12 5 12
    电流/相位 A rms 5.47 3.12 1.3 3.12 1.3
    电阻/相位 欧姆 (Ω) 0.52 1.6 9.23 1.6 9.23
    电感/相位 毫亨 2.86 8.8 51 4.4 25.5
    电源输入 31.2
    转子惯性 gcm2 1760
    绝缘等级 B级(可提供F级)
    重量 盎司(kg) 5.1( 2.3 )
    绝缘电阻 M 20
    标准电机为B级,最高温度为130°C(F级为155°C)
    **单极驱动器比双极驱动器的推力小约30%。

    步长
    螺杆直径 英寸 mm 代码ID
    0.625英寸 (15.88 mm) 0.0005 0.0127 3
    0.000625 0.0158* B
    0.00125 0.0317* C
    0.0025 0.0635 Y
    0.005 0.127  Z
    *缩略值
  • 尺寸图 +



    Size 34,87000系列固定轴式直线步进电机


    Captive Linear Actuator






    Size 34,87000系列贯通轴式直线步进电机


      Non-Captive Linear Actuator




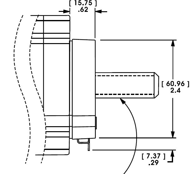
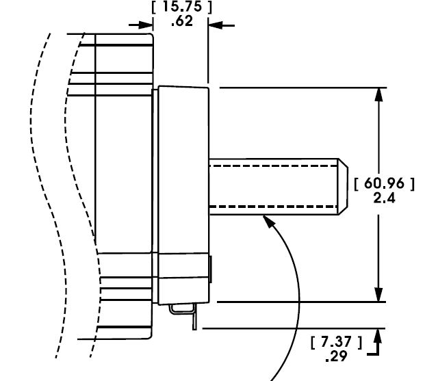
    Size 34,87000系列外部驱动式直线步进电机


     External Linear Actuator

  • 性能曲线 +


    推力与脉冲频率
    斩波器,双极性,100%工作周期,Ø 0.625(15.88)螺杆



    推力与线速度

    斩波器,双极性,100%工作周期,Ø 0.625(15.88)螺杆



    注意:  所有斩波驱动曲线都在5伏电机电压和75伏电源电压条件下创建。

    增加脉冲频率时,设定一个加速度可以推动更大负载或者达到更高的速度,可以提高电机的性能。  另外,设定减速度可以让电机停止时不会产生过冲。

    使用L/R驱动器可以减小峰值力和速度,使用单极性驱动器会进一步减少30%的力。
  • 润滑选项 +


    Haydon®超光滑(Super Slick)润滑脂

    Haydon可提供多种润滑脂,以满足不同的应用要求。  有关如何选择最适合润滑脂的问题,请联系Haydon Kerk Motion Solutions。

    润滑脂类型 化学相容性 温度范围 注释 成本
    HSS-17 合成烃 -20°C至+125°C 标准 $
    HSS-06 全氟聚醚 最佳 -65°C至+250°C 恶劣环境 $$
    HSS-16 全氟聚醚 更好 -80°C至+204°C 真空兼容 $$$
    HSS-20 全氟聚醚 最佳 -65°C至+250°C 高重复性 $$$

    HSS-17

    是一种采用锂皂增稠的中等粘度合成烃润滑脂。  它通过EP(极压)改性剂提高了承载能力,通过TFE增加了润滑性并减少了摩擦。  额定耐温能力为-20°C至+125°C。HSS-17具有最高的负载特性。

    HSS-06

    是一种采用TFE增稠的高粘度全氟聚醚润滑脂。  它设计用于高化学腐蚀性的环境,对于轻到中等负载都可提供出色的操作性能。  额定耐温能力为-65°C至+250°C。混合式直线步进电机的标准配置。

    HSS-16

    是一种全氟聚醚润滑脂,用于20°C时高达4x10-13托的真空环境。额定耐温能力为80°C至+204°C。

    HSS-20

    是HSS-06的超滤版本,这意味着润滑脂经过“清洁”工艺去除了尺寸大于35微米的颗粒。  它适用于需要高精度和可重复性的应用。

    Black Ice®和Kerkote® TFE涂层 

    Black Ice和Kerkote TFE涂层被应用在我们的一些产品设计中,具体取决于所使用的螺母聚合物。  有关螺杆螺母/TFE涂层是否相容的问题,请咨询我们的应用工程师团队。  

     
  • 编码器 +


    所有Haydon混合式直线步进电机均可配备一个专用编码器,以用于需要反馈的应用。紧凑型光学增量式编码器设计具有双通道正交TTL方波输出。可选索引也可作为第三通道使用。Size 8编码器的分辨率适合每转需要250和300个计数的应用。  Size 11、14和17编码器的分辨率适合每转需要200、400和1,000个计数的应用。  Size 23和34编码器的分辨率为每转200、400、1,000和2,000计数。编码器可用于所有电机配置 - 固定轴式、贯通轴式和外部驱动式。

    简单的设计和低成本使编码器非常适合大小批量的运动控制应用。内部单片电子模块将实时轴角度、速度和方向转换为TTL兼容的输出。编码器模块包含一个透镜LED光源和单片光电探测器阵列以及信号整形电子器件,可产生双通道无反射TTL输出。

    电气规格


    最小
    典型
    最大
    单位
    输入电压
    4.5 5.0 5.5 VDC
    输出信号
    4.5 5.0 5.5 VDC
    • 2通道正交TTL方波输出
    • 从编码器盖上看,通道B引导通道A使转子顺时针旋转
    • 速度为0至100,000个周期/秒时的轨道。
    • 可选索引可用作34d通道(每转一个脉冲)。


    Size 34 单端编码器引脚分配

    连接器引脚编号
    描述
    1 接地
    2 索引(可选)
    3 通道A
    4 +5 VDC电源
    5 通道B


    Size 34 差分编码器引脚分配

    连接器引脚编号
    描述
    1 接地
    2 接地
    3 - 索引
    4 + 索引
    5 通道A -
    6 通道A +
    7 +5 VDC电源
    8 +5 VDC电源
    9 通道B -
    10 通道B +


    工作温度

    最小
    最大
    -40°C (-40°F)
    100°C (212°F)


    机械规格


    最大
    加速 250,000弧度/秒平方
    振动(5 Hz至2 kHz)
    20g


    分辨率
    4标准每转周期(CPR)或每转脉冲(PPR)

    CPR 
    200
    400* 1000 2000
    PPR
    800 
    1600* 
    4000 
    8000 
    *索引脉冲通道不可用。

    其他可用

    编码器尺寸图
    尺寸 =(毫米)英寸

    57mm 87000系列Size 34
    Size 34 Linear Actuator Encoder


    注释A:在特定的固定轴式和贯通轴式电机上,螺杆延伸到编码器之外。可根据要求提供外部驱动式。
  • 原位开关和接近传感器 +


     原点开关
    Haydon推出的微型电子霍尔效应传感器可以检测永磁式和混合式固定轴式直线步进电机的终端位置。该原位开关安装在Haydon固定轴式直线电机的后套筒上。它让用户能够识别电机的启动、停止或原位。触点可以常开或常闭,具体取决于您的偏好。触点闭合可在一个步进位置内重复,以识别每步低至0.0005英寸(0.0013厘米)的线性移动。还可提供多个触点开关。该开关使设备制造商能够更精确地监控运动,从而实现更好的控制和质量管理。在订购具有原位开关的电机时,零件号应以S开头。有关其他订购信息,请联系Haydon Kerk Motion Solutions。 因此所需的10盎司激励力可能不适用于较小的永磁式直线步进电机。

    技术数据:

    触点等级(标准): 1.00安培 @ 120 VAC
    1.00安培 @ 28 VDC
    工作温度: -30°C至+55°C(-22°F至131°F)
    触点电阻: 最初在2-4 V DC,100 mA时,<20毫欧姆(典型值)
    电气寿命: 满载时测得60,000次通断循环
    原理:
    Home Switch
    有多个触点选配项
     零位传感器
    Haydon推出的微型霍尔传感器能够监测永磁式和混合式固定轴直线步进电机的终端位置。该传感器包含一个霍尔效应器件,该器件由嵌入在内部螺杆末端的稀土磁铁激励。传感器的紧凑外形让它适合用于有限空间的应用。传感器具有几乎无限的循环寿命。 可以提供特殊电缆和连接器。 Haydon的行程接近传感器终端以及所有的Haydon Kerk Motion Solutions产品均由技术团队提供支持,该团队负责提供全面的客户支持和应用协助。

    技术数据:

    电源电压(VDC): 最小3.8至最大24
    电流消耗量: 最大10 mA
    输出电压(工作) 典型值为0.15,最大0.40;最大下降20 mA
    输出电流 最大20 mA
    输出泄漏电流(释放) 最大10μA @ Vout = 24 VDC;Vcc = 24 VDC
    输出切换时间
    上升,10到90%:典型值为0.05μs,最大值为1.5μs @ Vcc = 12 V,RL = 1.6千欧姆 下降,90到10%:典型值为0.15μs,最大值为1.5μs @ CL = 20 pF
    温度 -40至150℃
     建议的接口图
    注意:每个DOD-STD-1686A传感器都是2类ESD敏感元件。装配作业应在工作站上进行,同时导电顶部和操作人员应接地。

    请注意传感器需要使用上拉电阻才能正常工作。
  • 接线图和步进序列 +


    Hybrid Wiring
    步进序列 - 混合式直线步进电机

    双极性 Q2-Q3 Q1-Q4 Q6-Q7 Q5-Q8
    单极性 Q1 Q2 Q3 Q4
    . . . .
    1
    2
    3
    4
    1
  • 产品品号选型向导 +


    E

    87

    H

    4

    C

    -

    2.85

    -

    910

    前缀

    电机系列

    样式

    极性

    步长编码

     

    电压

     

    后缀

    A=交流电机

    E=外部驱动电机

    K=外部驱动式带40︒thread form

    P=零位传感器
    S=原点位置开关

    87=87000

    系列数字和电机机身的边长一样

    F=1.8︒贯通轴式

    H=1.8︒固定轴式或外部驱动式(用E或K表示外部驱动式)

    4=双极性(4线)
    6=单极性(4线

    3=0.0005in

    (0.0127)

    B=0.000625in

    (0.0158)

    C=0.00125in

    (0.0317)
    Y
    =0.0025in

    (0.0635)

    Z=0.005in

    (0.0127)

    * TFE不可用

     

     

     

     

    2.85=2.85V

    05=05V

    12=12V

    客户可定制电压

     

    行程

    例如-910=1英寸

    -800=公制接头

    -900带油脂和法兰的外部驱动式电机

    -XXX客户化编码

    Size 34 Linear Actuator PN Guide