所有海顿混合线直线步进电机都可以选配编码器,用于需要信号反馈的应用。紧凑的光学增量式编码器具有双通道正交TTL方波输出。可选索引也可作为第三通道使用。
Size 6电机可提供250到4000分辨率编码器可选。
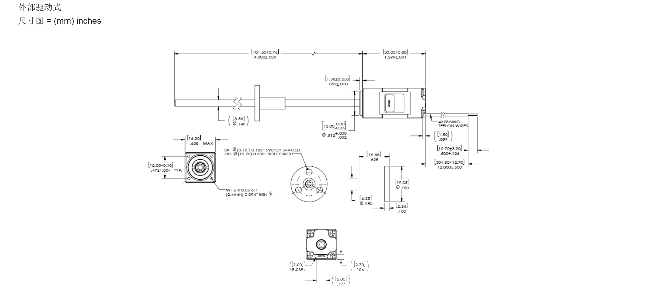
编码器仅可用于外部驱动式结构。固定轴和贯通轴编码器正在开发中。
结构简单和低成本使编码器成为需要信号反馈的运动控制应用的理想选择。内部单片电子模块将实时轴角,速度和方向转换为TTL兼容输出。编码器模块包含一个透镜LED光源和单片光电探测器阵列,带有信号整形电子器件,以产生两个通道无界TTL输出。
