螺杆精度
Haydon Kerk Motion Solutions, Inc采用独特的精密轧制工艺来制造螺杆。Kerk螺杆的标准导程精度为0.0006英寸/英寸(mm/mm)。导程精度可达0.0001英寸/英寸(mm/mm)。如需更高的导程精度,请咨询厂家。组件具有50微英寸(1.25微米)的高重复定位精度。
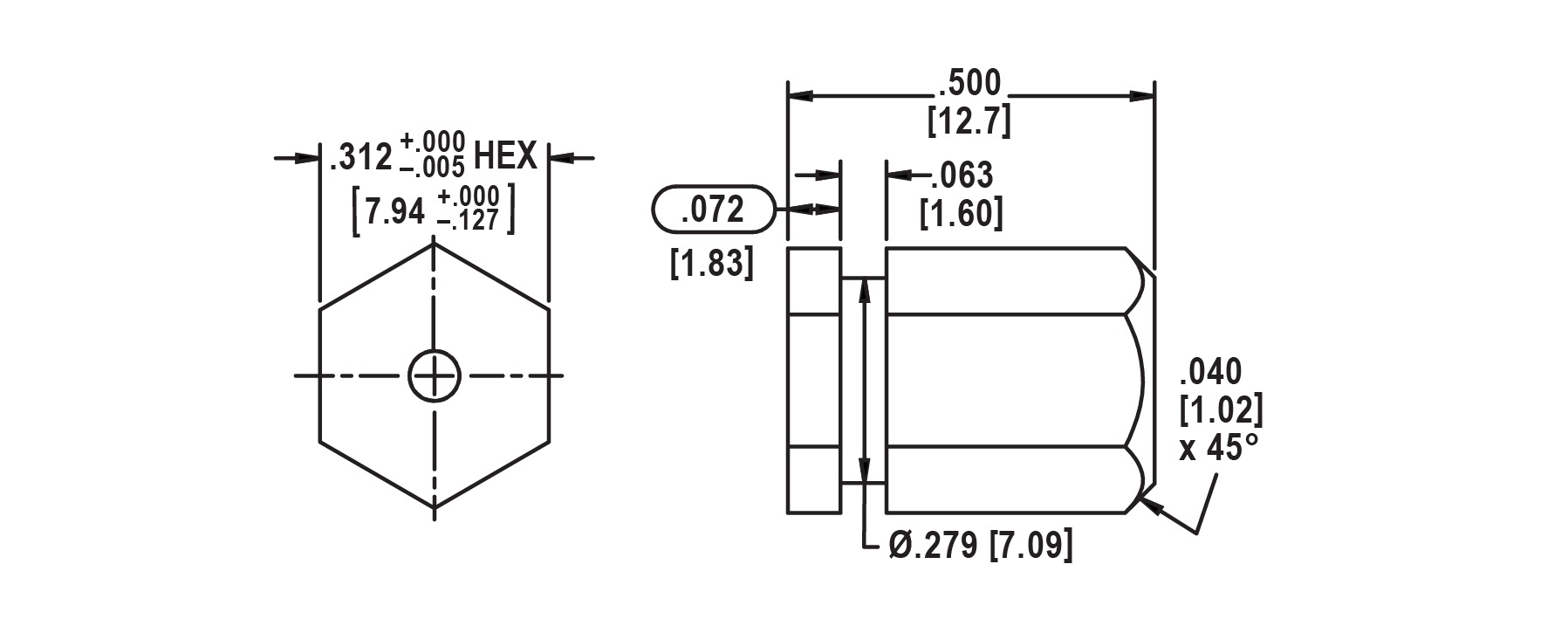
端部加工
Haydon Kerk Motion Solutions可根据要求为您定制设计螺杆,以便您自己加工。
临界速度
这是螺杆可能经受振动或其他动态问题的旋转速度。请参阅临界速度表以确定应用参数是否会导致速度接近临界值。减少临界速度问题的方法有:使用更长的导程、选择更大的直径或增加轴承座的支撑力度。

长度
最长有12英尺(4米)的长度,(具体取决于直径和导程)。对于可定尺寸的螺杆,其长度以6英寸递增(6英寸、12英寸、18英寸……)+1.0英寸/-0英寸
导程
每转的行程,所有螺杆均按导程而非螺距排列。导程 = 螺距 x 线数
螺距
波峰到波峰的距离或一除以每英寸的螺纹数。(在一个多线螺纹中,螺距等于导程除以线数。)
移动速度
我们使用的螺母材料在各种条件下都有很长的寿命。但是,高负载和或高速度会加快螺母的磨损。这些情况可能需要特殊的材料。我们针对连续工作的直线移动速度给出了以下建议,以实现最佳的使用寿命:
| 导程 |
移动速度 |
导程 |
移动速度 |
| 1/10 - 1/2英寸 |
4-英寸/秒 |
1 - 12 mm |
100毫米/秒 |
| 1/2 - 1英寸 |
10-英寸/秒 |
12 - 25 mm |
250毫米/秒 |
| 1 - 2 1/2英寸 |
30-英寸/秒 |
25 - 60 mm |
760毫米/秒 |
最大负载
尽管Kerk®消隙组件能够承受相对较高的载荷,且不会发生严重故障,但这些组件应在尺寸图中所示的载荷下运行。
效率
效率是工作投入与工作产出的关系。它不应该与机械优势混淆。列出的效率是基于Kerkote® TFE涂层螺杆的理论值。
转矩
驱动螺杆组件所需的电机转矩由三个部分构成:惯性转矩、阻力矩和移动负载的转矩。
请注意:这是单独驱动螺杆组件所需的转矩。还必须考虑轴承和电机轴、运动部件以及由于组件错位而导致的与阻力相关的其他转矩。
惯性转矩:
T = I α 其中I = 螺杆惯性
j α = 角加速度
阻力矩:
Kerk消隙组件通常具有1到7盎司英寸的阻力矩。阻力矩的大小取决于标准出厂设置或客户指定的设置。一般来说,预紧力越高,消隙特性就越好。
移动转矩
T= 负载 x 导程
L 2 π x 效率
反向移动:
有时也称为可逆性,反向移动是指螺杆通过施加在螺母上的推力负载转动的能力。一般情况下,当螺杆导程小于无涂层螺杆直径的1/3或Kerkote® TFE涂层螺钉直径的1/4时,不会发生反向移动。对于可能出现反向移动的较高导程,保持负载所需的扭矩为:
T = 负载 x 导程 x 反向移动的效率
b 2π
螺杆直线度:
测得的螺杆直线度为总指示偏差(TIR)。螺杆的标准直线度为0.003英寸/英尺。Haydon Kerk Motion Solutions可根据客户要求提供更高的规格。
在发货前,所有螺杆都经手工较直。