所有Haydon混合式直线步进电机均可配备一个专用编码器,以用于需要反馈的应用。紧凑型光学增量式编码器设计具有双通道正交TTL方波输出。可选索引也可作为第三通道使用。Size 8编码器的分辨率适合每转需要250和300个计数的应用。  Size 11、14和17编码器的分辨率适合每转需要200、400和1,000个计数的应用。  Size 23和34编码器的分辨率为每转200、400、1,000和2,000计数。编码器可用于所有电机配置 - 固定轴式、贯通轴式和外部驱动式。
简单的设计和低成本使编码器非常适合大小批量的运动控制应用。内部单片电子模块将实时轴角度、速度和方向转换为TTL兼容的输出。编码器模块包含一个透镜LED光源和单片光电探测器阵列以及信号整形电子器件,可产生双通道无反射TTL输出。
电气规格
    
        
            |  | 最小 
 | 典型 
 | 最大 
 | 单位 
 | 
        
            | 输入电压 
 | 4.5 | 5.0 | 5.5 | VDC | 
        
            | 输出信号 
 | 4.5 | 5.0 | 5.5 | VDC | 
    
    - 2通道正交TTL方波输出
- 从编码器盖上看,通道B引导通道A使转子顺时针旋转
- 速度为0至100,000个周期/秒时的轨道。
- 可选索引可用作34d通道(每转一个脉冲)。
Size 14单端编码器引脚分配
    
        
            | 连接器引脚编号 
 | 描述 
 | 
        
            | 1 | 接地 
 | 
        
            | 2 | 索引(可选) 
 | 
        
            | 3 | 通道A 
 | 
        
            | 4 | +5 VDC电源 
 | 
        
            | 5 | 通道B 
 | 
    
Size 14差分编码器引脚分配
    
        
            | 连接器引脚编号 
 | 描述 
 | 
        
            | 1 | 接地 | 
        
            | 2 | 接地 | 
        
            | 3 | - 索引 | 
        
            | 4 | + 索引 | 
        
            | 5 | 通道A - 
 | 
        
            | 6 | 通道A + 
 | 
        
            | 7 | +5 VDC电源 
 | 
        
            | 8 | +5 VDC电源 
 | 
        
            | 9 | 通道B - | 
        
            | 10 | 通道B + 
 | 
    
工作温度
    
        
            | 最小 
 | 最大 | 
        
            | -40°C (-40°F) 
 | 100°C (212°F) 
 | 
    
机械规格
    
        
            |  | 最大 | 
        
            | 加速 | 250,000弧度/秒平方 
 | 
        
            | 振动(5 Hz至2 kHz) 
 | 20g | 
    
分辨率
4标准每转周期(CPR)或每转脉冲(PPR)
    
        
            | CPR 
 | 200 
 | 400 | 1000* | 
        
            | PPR 
 | 800 
 | 1600 
 | 4000* | 
    
*索引脉冲通道不可用。
其他可用
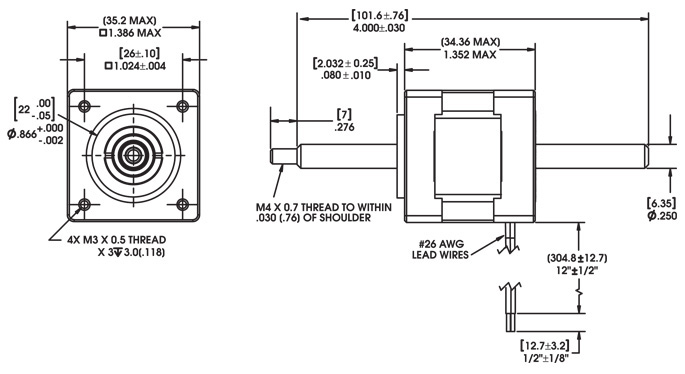
编码器尺寸图
尺寸 =(毫米)英寸
30mm 35000系列Size 14

注释A:在特定的固定轴式和贯通轴式电机上,螺杆延伸到编码器之外。可根据要求提供外部驱动式。