AmetekHaydonKerk
Skip to content

6300系列

Haydon_6300_Series_Hermetically_Sealed_Switch

6300系列气密型密封开关在极端环境下也能提供高度的可靠性。该开关用于军用和商用飞机以及航空航天领域,其中包括NASA的航天飞机计划。应用包括阀门限位开关、发动机起动器、超速开关、压力开关和推力反向器限位开关。

金属耐腐蚀外壳可以抵抗大多数介质的侵蚀,开关可以浸在合成液压油和喷气燃料等流体中。该开关可用于外部压力高达50 PSI(3.4个大气压)的应用场合。6300系列开关具有1x10-8大气压立方厘米/秒的极低泄漏率。当内部开关机构在无污染的惰性气体环境中运行期间,开关外壳可以抵抗极端温度压力和介质的侵蚀。

触点可以采用纯银、金合金或铂材料,具体取决于应用。通常情况下,银触点的工作温度可达300°F,而铂触点的工作温度可达500°F。金合金适用于低电流应用,从30毫伏时的10毫安到30 VDC时的500毫安不等。
 

可用组件
6300系列气密型密封开关可以用各种组件启动。典型的组件包括按钮、叶片、滚轴叶片和拨动开关。标准组件可能会被更改以满足特殊的安装要求。HSI还可以设计定制组件以满足特定的应用需求。
  • 规格 +


    机械特性 - 6300系列密封开关

    最大工作力

    26盎司 (7.23 N)

    最小释放力

    6盎司 (1.67 N)

    运动差分

    0.020英寸 (0.508 mm)

    重量

    0.32盎司 (9.07 g)

    超行程停止

    有0.010英寸可选(0.254毫米)


    电气特性 - 6300系列密封开关

    电气额定值

    28VDC/115VAC, 400 Hz

    电阻

    5安培

    感应

    3 A mps

    绝缘耐压

    海平面1000V rms,持续1分钟或1250V rms,持续1秒,最大泄漏电流为0.5毫安。可提供满足1500V rms耐受电压,但会缩短寿命。

    触点排列

    SPDT


    环境特性 - 6300系列密封开关

    温度范围

    -85°F至300°F(-65°C至149°C)
    -85°F至500°F(-65°C至260°C)/ -320°F(-196°C)*特殊订单

    冲击

    100g,持续6±1 ms

    振动

    10 - 2000 Hz 20g峰值(特殊订单50g)

    环境压力

    高真空(负)到50 PSI(正)3.4大气压

    军用规格

    MIL-PRF-8805

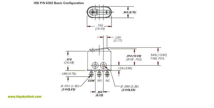
  • 尺寸图 +

    Haydon Hermeticall Sealed Switch 6300 Series
  • 典型组件 +

    Haydon Hermetically Sealed Switch 6300 Series