AmetekHaydonKerk
Skip to content

Size 23,57mm

Haydon Kerk Motion Solutions size 23是一款 57mm 混合式旋转步进电机。在额定电压下,size 23 – 57000 系列单叠厚标准 1.8° 步距角版本可产生最高 591.0 mNm83.7 oz-in)的扭矩,而 0.9° 步距角版本为 400.9 mNm56.8 oz-in)。典型应用包括医疗设备、半导体搬运、阀门控制、X-Y 工作台、手持仪器,或任何需要精确旋转运动的场合。


  • 规格-1.8度步距角 +



    Part No. 旋转 57H40-V
    极性 Units Bipolar
    步进角度 Degree 1.8°
    绕组电压 VDC 3.25 5 12
    电流/相位 A rms 2.0 1.3 0.54
    电流/相位 ohms (Ω) 1.63 3.85 22.2
    电感/相位 mH 3.5 10.5 58
    功耗 Watts 13
    转子惯量 gcm2 166
    绝缘等级
    Class B (Class F available)
    重量 oz (g) 18 (511)
    绝缘电阻 MΩ 20

    标准电机为B级,最高温度为130°C(F级为155°C)


  • 规格-0.9度步距角 +


    Part No. 旋转 57K40-V
    极性 Units Bipolar
    步进角度 Degree 0.9°
    绕组电压 VDC 3.25 5 12
    电流/相位 A rms 2.0 1.3 0.54
    电阻/相位 ohms (Ω) 1.63 3.85 22.2
    电感/相位 mH 4.2 13 68
    功耗 Watts 13
    转子惯量 gcm2 166
    绝缘等级
    Class B (Class F available)
    重量 oz (g) 18( 511 )
    绝缘电阻 MΩ 20

    标准电机为B级,最高温度为130°C(F级为155°C)


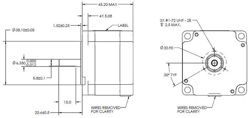
  • 尺寸图 +



    Size 23,57000系列旋转步进电机


     







     

      

  • 性能曲线 +


     



    注意:  所有斩波驱动曲线都在5伏电机电压和75伏电源电压条件下创建。

    增加脉冲频率时,设定一个加速度可以推动更大负载或者达到更高的速度,可以提高电机的性能。  另外,设定减速度可以让电机停止时不会产生过冲。

    使用L/R驱动器可以减小峰值力和速度,使用单极性驱动器会进一步减少30%的力。
  • 产品品号选型向导 +



    57

    H

    4

    0

    -

    3.25

    -

    900

    系列

    样式

    极性

    步长


    电压


    后缀

    57=57000 (系列数字和电机机身的边长一样)

    H=1.8° 步距角,单叠厚
    K
    =0.9°步距角,单叠厚

    4=Bipolar
    (4 wire)



    0=旋转电机


    3.25=3.25 VDC
    05
    =5 VDC
    12=12VDC
    电压可客户化定制


    Example:
    900=标准电机
    XXX=客户化定制电机代码


    NOTE: Dashes must be included in Part Number (–) as shown above.